0
Skip to Content
David Lee: Botanist
Preparation
Research
Esthetics
Open Menu
Close Menu
David Lee: Botanist
Preparation
Research
Esthetics
Open Menu
Close Menu
Preparation
Research
Esthetics
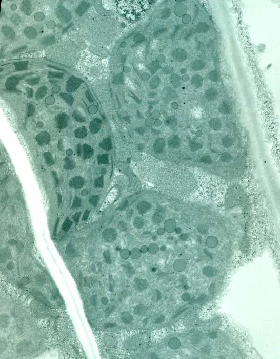
Ultrastructure
Previous
Previous
Macrophotography
Next
Next
Autumn in Colorado